Екатеринбург +7(343) 374-20-22, 374-77-22 Заказать звонок
Адрес: ул.Мира, 8
Время работы: ПН-ПТ 9-18, СБ, ВС - выходной
Войти Регистрация
Корзина0 позиций
на сумму 0 руб.

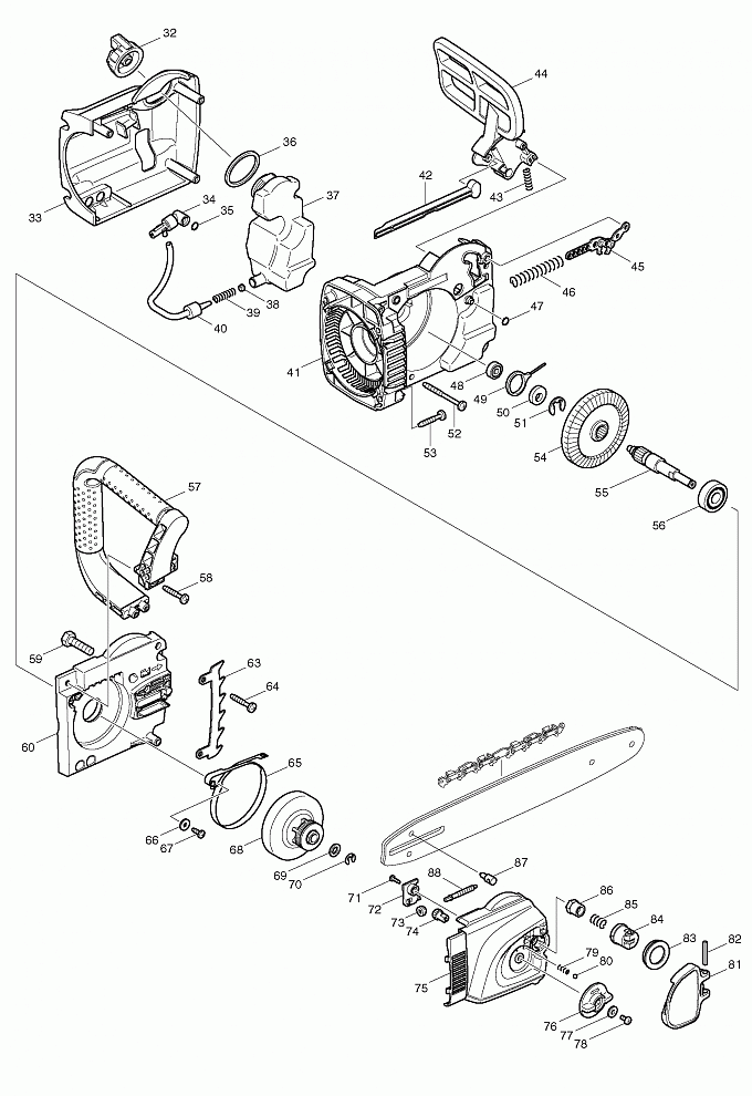
UC4530A

Артикул
Наименование
Кол.
32
154870-0
Колпачок бака
1
33
419412-0
Крышка корп. редуктораUC4030A
1
34
142002-1
Масляный насос(new)
1
34
140089-7
Масляный насос UC3530A(верс1)
1
35
213039-6
О-кольцо 6
1
36
421959-2
Прокладка резина
1
37
419407-3
Масляный бачок UC4030A
1
38
416274-7
Крышка маслянного канала
1
39
231975-4
Пружина
1
40
421958-4
Трубка маслян. насоса UC4030A
1
41
419408-1
Корпус редуктора левый
1
42
419413-8
Шток UC4030A
1
43
233174-4
Компрессионная пружина 6
1
44
451130-4
Передняя ручка безопасности
1
45
158044-5
Cоединительная пластина
1
46
234005-0
Компрессионная пружина 9
1
47
213039-6
О-кольцо 6
1
48
211012-0
Подшипник 606ZZ
1
49
450230-7
Кривошип масл. насоса UC4020A/(new)
1
50
417405-1
Привод насоса UC3520A/UC4020A/
1
51
259034-2
Стопорное кольцо E-10
1
52
266044-2
Самонарезающий винт 5X60
2
52
266095-5
Самонарез. винт. фланец PT5X55
2
53
266173-1
Самонарез. винт. фланец PT5X30
4
54
226741-2
Зубчатое колесо UC3000A/
1
55
324662-3
Шпиндель к UC4030A
1
56
211107-9
Подшипник 6201ZZ
1
57
455487-5
FRONT HANDLE(new)
1
57
419409-9
Трубчатая ручка(верс1)
1
58
266173-1
Самонарез. винт. фланец PT5X30
2
59
921452-1
Болт с шестигранной гол. M8X30
1
60
318013-0
Корпус редуктора правый
1
63
345651-5
Когтявой зацеп для UC3020A/
1
64
266173-1
Самонарез. винт. фланец PT5X30
2
65
168426-3
Хомут тормоза
1
66
267195-4
Плоская шайба 4 для UC3520A/
1
67
266026-4
Самонарез винт зажимной CT4X12
1
68
125331-7
Ведущая звездочка для UC3530A
1
69
253215-0
Плоская шайба 8 2012NB/4191D/
1
70
259033-4
Стопорное кольцо E-6
1
71
266007-8
Самонарез винт зажимной РT3X10
1
72
419241-1
Крышка для UC4020
1
73
227496-2
Коническая спирал. шестерня 14
1
74
227495-4
Коническая спирал. шестерня 14
1
75
154869-5
Защита цепной шестерни
1
76
419233-0
Регулировочное колесо 40
1
77
253874-0
Плоская шайба 4
1
78
915106-0
Винт с обвязыв. головкой М4х8
1
79
233033-2
Компрессионная пружина 4
1
80
216008-6
Стальной шарик 4
1
81
154763-1
Рычаг в сборе
1
82
951122-8
Пружинный штифт 4-28 к 2012NB/
1
83
453061-3
CUP WASHER 20(new)
1
83
419271-2
Тарельчатая шайба 20 UC3020A/
1
84
317977-5
Держатель рычага для UC3020A/
1
85
231025-5
Компрессионная пружина 8
1
86
252168-0
Шестигранная гайка M8-13
1
87
324621-7
Штифт натяжения цепи UC3020A/
1
88
324620-9
Регулировочный винт к UC3020A/
1
4
240001-8
Крыльчатка 80 для LS1013
1
89
187088-8
SPROCKET COVER SET(new)
1
89
188858-8
Крышка цепной шестерни(верс1)
1
90
187089-6
Рычаг выключателя UC3030A(new)
1
90
188859-6
Рычаг выключателя UC3030A(верс1)
1
91
187573-1
Масляный насос в сб.(new)
1
91
188929-1
Масляный насос в сборе(верс1)
1
1001
419560-5
Защитный кожух для цепи 430
1
1002
158024-1
Крючок 5014NB/5016NB
1
1003
165390-9
Шина 3/8 1.3ммх45см 442045661(верс1)
1
1004
837010-2
OIL ABSORBENT SHEET
1
1005
528092662
Цепь 45см. шаг 3/8 х 1.3мм
1


Войти Регистрация
Корзина0 позиций на сумму 0 руб.